Loading...

GTS Admiral W.M. Callaghan

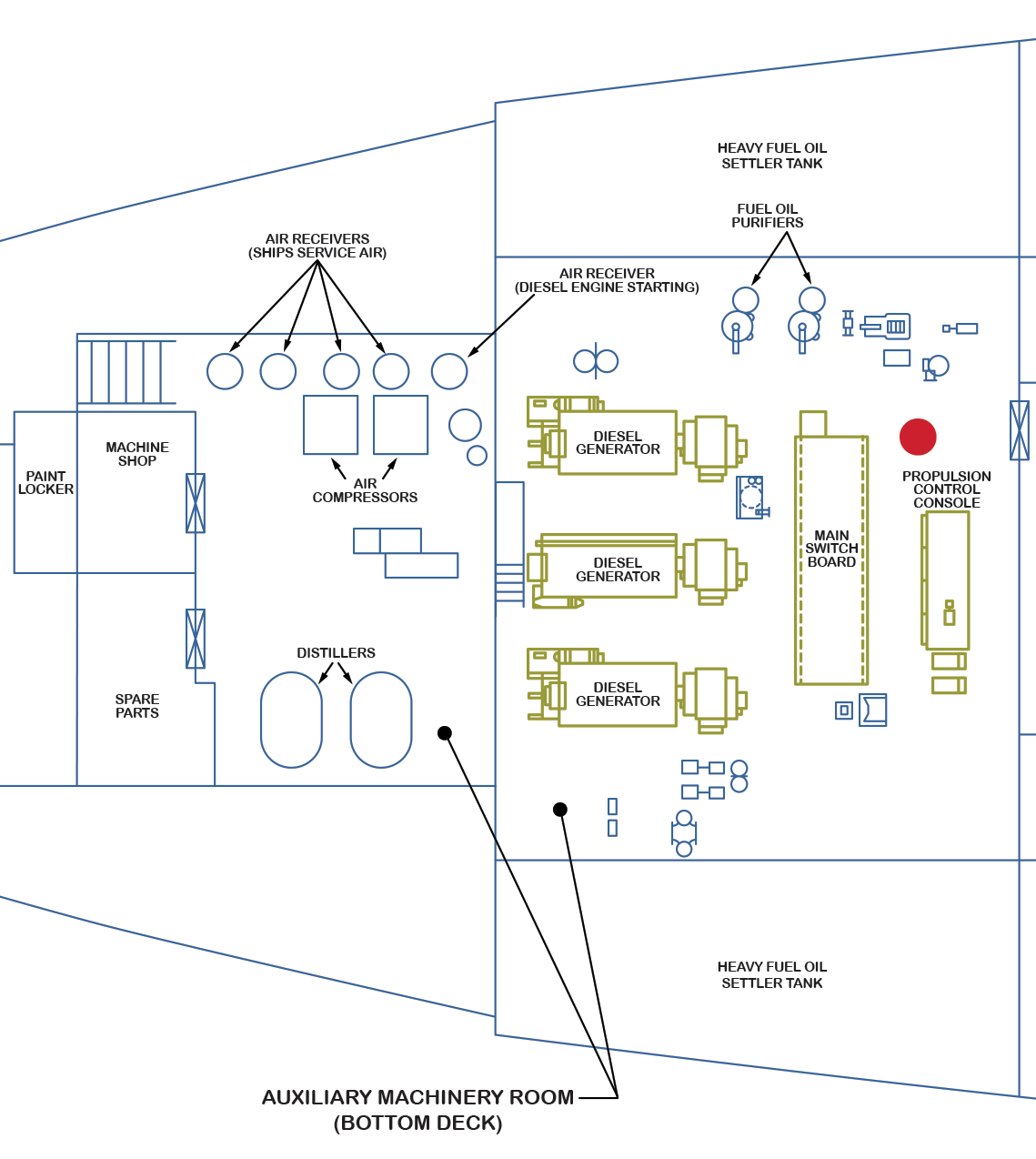
Control area, forward end of the auxiliary machinery space (port side). Panning left is the doorway that leads to the aft end of the engine room.

Click for location map.
Click on thumbnail for larger image.