Loading...

GTS Admiral W.M. Callaghan

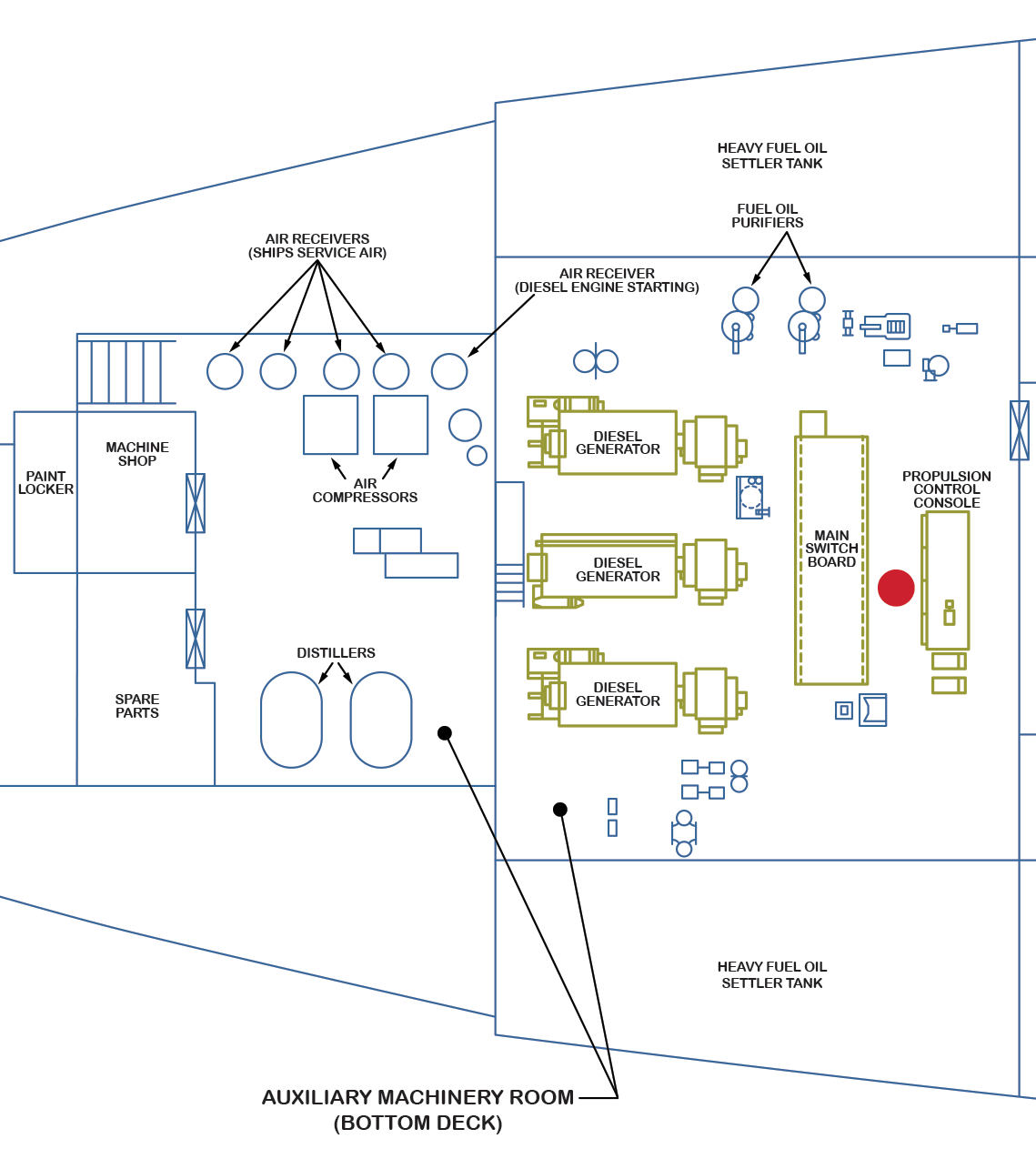
Control area, forward end of the auxiliary machinery space (starboard side).

Click for location map.