Loading...

GTS Admiral W.M. Callaghan

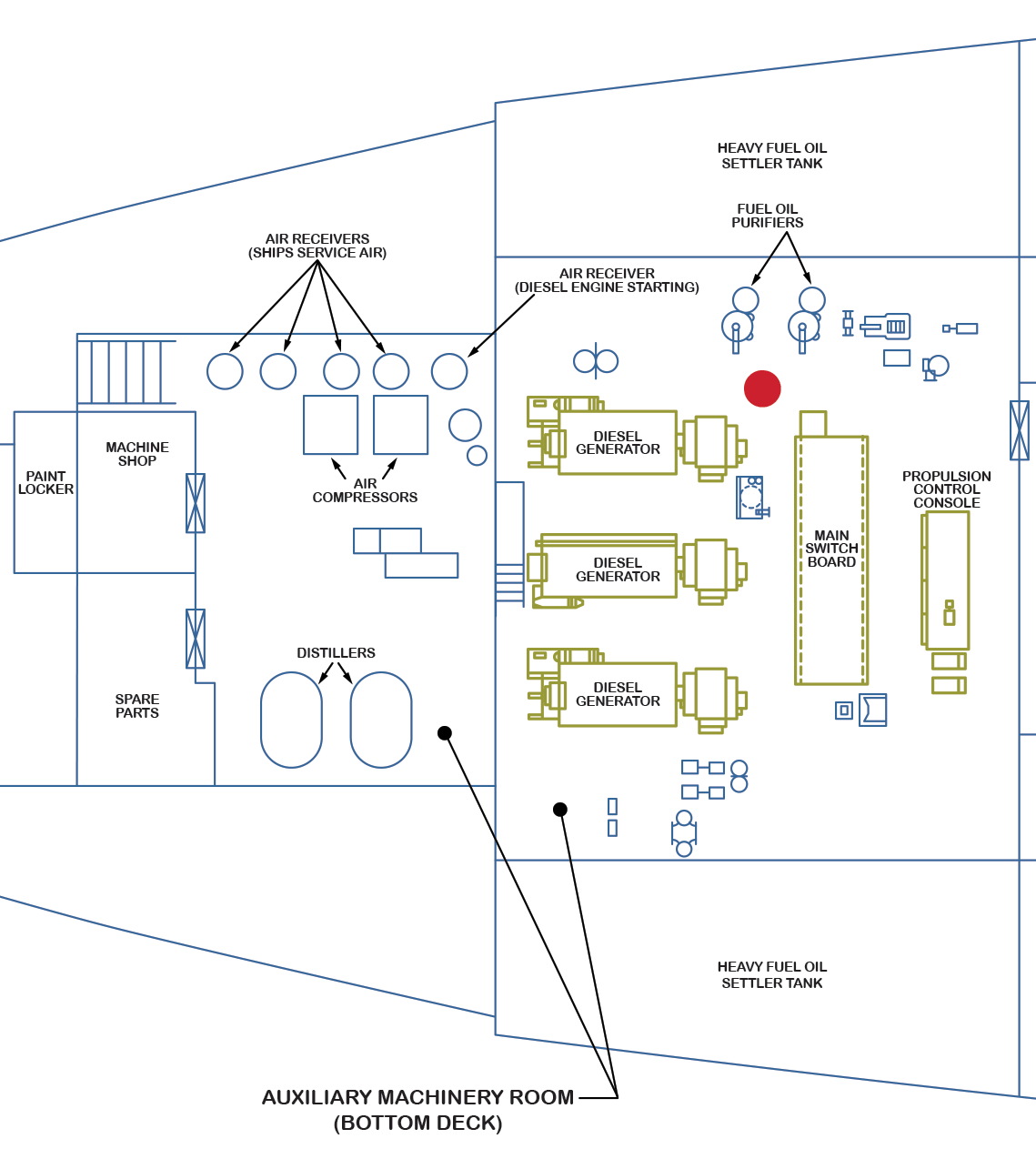
Port side of the center section of the auxiliary machinery space. Initial view (looking aft) is the port generator on the left and one of two Alfa-Laval oil purifiers on the right.

Click for location map.